Твердотопливный котел SAS UWG Plus 17

Рейтинг:
(0 отзывов)
Производитель:
SAS
Страна производства
Польша
Код товара:
BLK0065460
Доступно:
Есть в наличии

3 551 р.

РАССРОЧКА НА 6 МЕС. ПОД 0%
МОНТАЖ КОТЛА ОТ 200 РУБ.
НАЛИЧНЫЙ И БЕЗНАЛИЧНЫЙ РАСЧЕТ
БЕСПЛАТНАЯ ДОСТАВКА

Твердотопливный котел SAS UWG Plus 17 кВт представляет собой эффективное и надежное решение для отопления частных домов, дач и производственных помещений. Этот котел польского производства обеспечивает длительное горение и высокую теплоотдачу, что делает его идеальным выбором для автономных отопительных систем.

Описание модели

SAS UWG Plus 17 кВт — это энергонезависимый котел длительного горения, предназначенный для работы в водяных системах центрального отопления открытого типа с гравитационной или принудительной циркуляцией воды. Он оснащен закрытой камерой сгорания и выполнен из высокопрочной стали, что обеспечивает долговечность и безопасность эксплуатации.

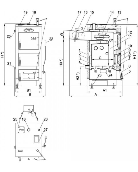
Технические характеристики

  • Мощность: 17 кВт

  • Площадь обогрева: до 170 м²

  • Тип топлива: дрова, бурый и каменный уголь, евродрова, торфобрикеты, опилки, щепа

  • КПД: до 85,9%

  • Камера сгорания: закрытая

  • Толщина теплообменника: 6 мм

  • Объем воды в котле: 54 литра

  • Максимальное рабочее давление: 1,5 бар

  • Температурный режим: от 55 до 87°C

  • Диаметр дымохода: 180 мм

  • Габариты (ВхШхГ): 1250×540×930 мм

  • Вес: 260 кг

  • Количество контуров: одноконтурный

  • Регулятор тяги: в комплекте

  • Автоматика: возможность установки

Преимущества

  • Энергонезависимость: не требует подключения к электросети, что позволяет использовать его в удаленных районах.

  • Длительное горение: обеспечивает экономичную эксплуатацию за счет эффективного использования топлива.

  • Универсальность: подходит для различных типов твердых топлив.

  • Простота обслуживания: легкий доступ к топочной камере и зольному ящику.

  • Долговечность: высококачественные материалы и надежная конструкция обеспечивают долгий срок службы.

Доставка и цена

Интернет-магазин santeh-help.by является официальным дилером польского производителя SAS, что гарантирует подлинность и качество продукции. Приобретая котел SAS UWG Plus 17 кВт, покупатели могут рассчитывать на бесплатную доставку по всей территории Беларуси, включая города Минск, Гомель, Гродно, Витебск, Могилёв, Брест и другие. Условия покупки и стоимость товара уточняются на сайте магазина

Будем рады ответить на любые ваши вопросы, также вы сможете получить БЕСПЛАТНУЮ консультацию у наших специалистов по номеру:
Мы поможем подобрать оборудование под ваши задачи и проконсультировать по вопросам монтажа.

Оставить заявку на консультацию вы можете по кнопке "Получить консультацию" и наши специалисты свяжутся с вами в течение 10 минут!
Характеристики
Материал теплообменника Сталь P265GH
Мощность, кВт 17
Наличие автоматики Без автоматики, С возможностью установки автоматики
Площадь обогрева, м2 170
Способ установки Напольный
S теплообменника, м.кв. 1.5
Автоподача топлива Нет
Вес, кг 260
Виды твердого топлива Антрацит, Бурый уголь, Дрова, Евродрова, Каменный уголь, Опилки, Торфобрикет, Щепа, Опилки
Возврат из системы отопления 1 1/2"
Вход в систему отопления 1 1/2"
Высота, мм 1250
Гарантийный срок, мес 48
Глубина, мм 930
Диаметр дымохода, мм 180
Колосниковая решетка Чугунная
КПД, % 85.9
Максимальная температура в режиме отопления, °C 85
Максимальная температура дымовых газов, °C 250
Максимальное рабочее давление, бар 1.5
Минимальная высота дымохода, м 8
Минимальная температура в режиме отопления, °C 55
Минимальная температура дымовых газов, °C 90
Минимальная тяга дымохода, Па 30
Модель SAS UWG Plus [17 кВт]
Назначение котла Одноконтурный
Объем воды в котле, л 54
Объем камеры сгорания, л 28
Производитель ZMK SAS, 28-100 Busko-Zdrój Owczary, ul. Przemysłowa 3, Polska
Размер загрузочного люка, мм 170x280
Разовая загрузка топлива, кг 21
Расход твердого топлива, кг/час 1.4
Регулятор тяги Да
Сервисный центр ООО "Прогреем", 220099, РБ, г. Минск, ул. Брестская, д. 40Б, ООО "Тепловые решения", РБ, г. Минск, ул. Притыцкого, 105, пом. 365
Страна производства Польша
Теплоноситель Антифриз, Вода, Смесь воды и антифриза
Тип Твердотопливный котел
Тип камеры сгорания Открытая
Тип котла Энергонезависимый, Длительного горения
Толщина теплообменника, мм 6
Ширина, мм 540
Бренд котла на твердом топливе SAS

Написать отзыв

Внимание: HTML не поддерживается! Используйте обычный текст!
    Плохо           Хорошо